Usługi zgrzewania doczołowego i elektrooporowego
Firma Gerpol Instalacje świadczy usługi zgrzewania doczołowego i elektrooporowego rur i kształtek z polietylenu PE100, PE100 RC w różnych szeregach ciśnieniowych w zakresie średnic od ø90 mm do ø630 mm. Wg indywidualnego projektu i zamówienia klienta wykonujemy elementy instalacji wodnych z polietylenu PE100 i PE100 RC.
Wszystkie kształtki wykonane są wykonane są przez łączenie odpowiednio uciętych odcinków rur metodą zgrzewania doczołowego w warunkach warsztatowych.
Oferujemy kształtki segmentowe:
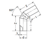
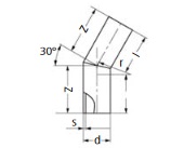
- kolana segmentowe od 5° do 90° w zakresie średnic 90 – 630 mm,
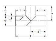
- trójniki równoprzelotowe 90° w zakresie średnic 90 – 500 mm,
- trójniki redukcyjne,
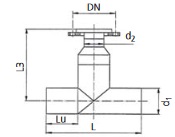
- trójniki kołnierzowe,
- wykonujemy również prefabrykaty z polietylenu wg indywidualnych zamówień klienta.
W ciągu dwudziestu pięciu lat rozwoju firmy nawiązaliśmy kontakty z wieloma renomowanymi polskimi, jak i zagranicznymi producentami rur i armatury. Zatrudniamy wykwalifikowaną kadrę pracowniczą.
Produkowane przez nas kształtki segmentowe posiadają aprobaty i atesty.
Służymy pomocą techniczną i fachowym doradztwem na najwyższym poziomie. Naszym celem jest dostarczenie produktów oraz usług na najwyższym poziomie oraz dbanie o zadowolenie naszych klientów.
Kontakt:
Gerpol Instalacje sp. z o. o. sp. K.
Wrocław – Mokronos Dolny


























